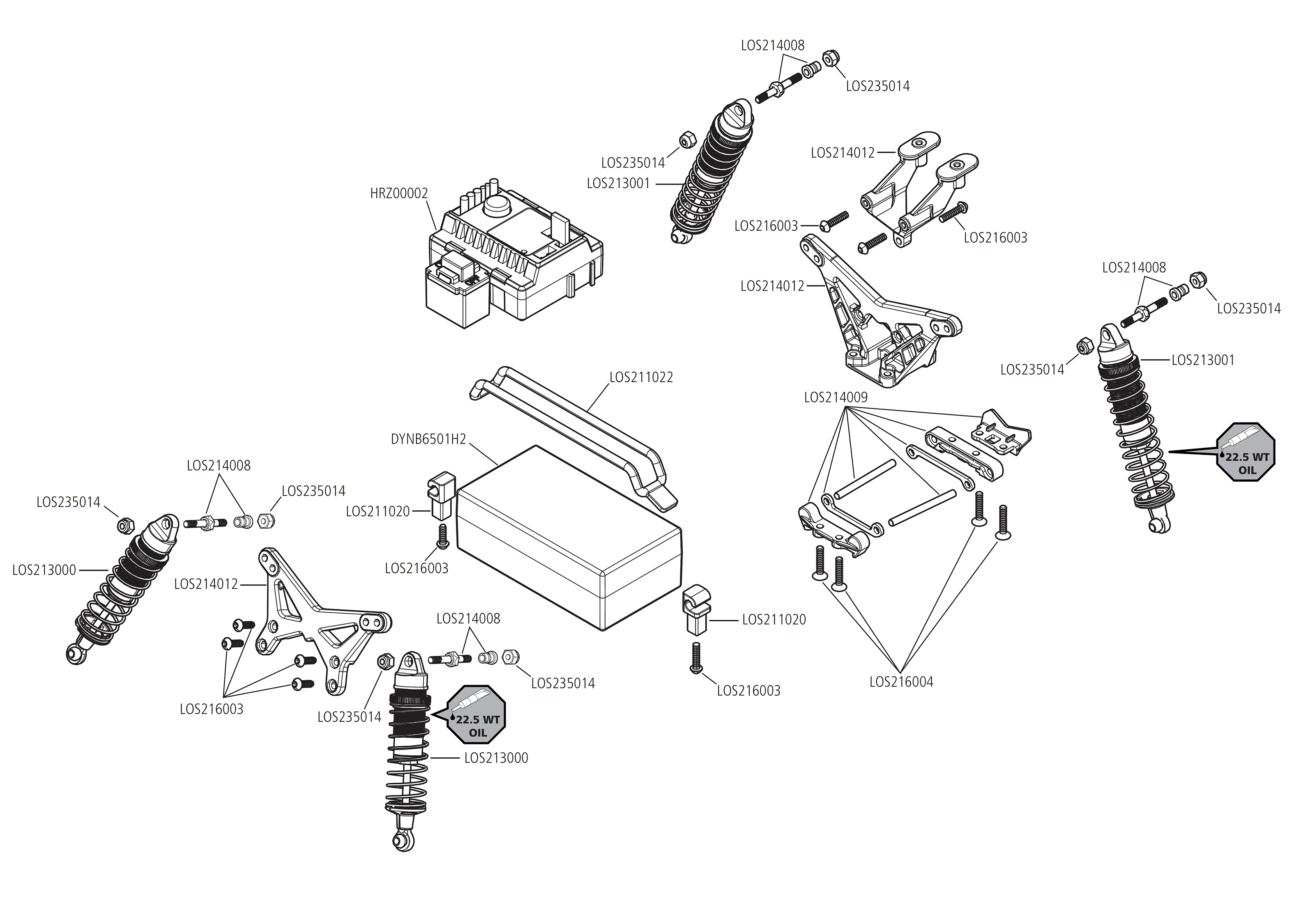
Eksplozivna risba: rear
Za izdelek Elk Mini-B 1:16 RTR rumena
Povezane risbe:
|
|
{{ item.name }}
{{ item.status }}
|
{{ itemPriceFinal }} {{ item.quantity }} x {{ itemPriceVat }} |
| Skupaj z DDV |